

Applications:DC fan、heater、ice machine、washing machine ect.
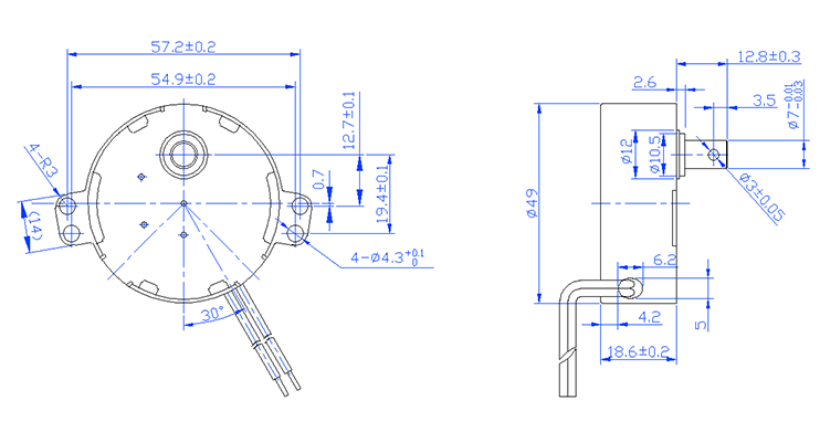
外觀安裝尺寸圖 SCHEMATIC CIRCUIT
電機(jī)主要性能表 SPECIFICATION
上一個(gè):同步電機(jī)49TYJ-B-V
下一個(gè):同步電機(jī)49TYJ-C-III



